HOME > 학습게시판 > 학습게시판
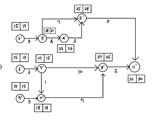
2023년 1회 기출(p.3-419) 21번 문제에서,
교재의 해설 답안 방식(표)가 아닌 위 사진처럼 새로운 network를 그리고
6->7에서 2일 지연되므로 전체공기에서 2일 지연된다 라고 작성하면 답안으로 문제 없이 인정될까요?
안녕하십니까 공정관리를 강의하고 있는 한웅규입니다.
첨부하신 내용으로 풀이하셔도 괜찮습니다.
첨부하신 마지막 내용의 글귀는 꼭 기입하셔야 합니다.
마지막까지 최선을 다하셔서 좋은 결과 있으시길 바랍니다.
목록