한솔아카데미 로고

내일배움카드 배너 전체메뉴
토목기사 · 산업기사 전체메뉴 보기
토목(산업)기사 학습게시판 강의수강 중 학습관련 질의응답, 한솔아카데미 합격 선배의 생생한 합격수기를 제공합니다.

학습게시판

HOME > 학습게시판 > 학습게시판

글보기
제목
수치가 맞지 않는경우 질문 NEW
질문유형 기타문의 > 실기물량산출
글쓴이 유*권 등록일 2026.03.26 답변상태 답변완료
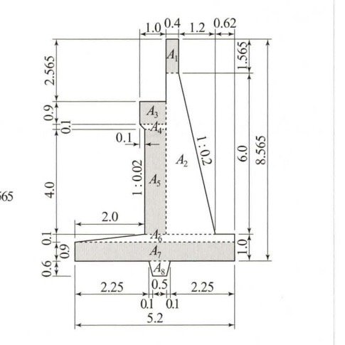
  • 안녕하세요 물량산출 반중력식 교대 문제풀이중 문제가 있어 질문 드립니다
    해당 문제에서 기초 상부의 길이 L이 교대 전면부, 후면부 경사를 계산하여 구하였을때의값이
    일반도에 그려진 치수와 다르게 나옵니다

    이런 경우에는 두번째 사진처럼 분할하였을 경우와 세번째 사진처럼 분할하였을 경우의 계산값이 적지않게 차이가 나게 되는데 이러한경우 정답처리가 어떻게 되는지 궁금합니다.

  • 전지현 |(2026.03.26 18:36)

    안녕하세요~ 물량산출을 강의하고 있는 전지현입니다.

     

    24년도 1회차의 경우 작년에 몇가지 수치들이 잘못 표기되어 있어 수정이 되었는데 아직 문제의 수정이 완전치 않아 문제의 오류가 있습니다.

    동영상 촬영에서도 마찬가지로 바뀌기 전에 촬영이 되어 숫자들이 상이하여 풀이한 산출근거 값들과 최종답안이 조금 차이가 있습니다.

     

    추후 수정과 재촬영을 하여 업로드 해드릴 예정입니다.

     혼동을 드려 죄송합니다.

     

    다른 궁금하신 부분이 있으실 경우 언제든 질의해주시면 빠른 시간내로 답변을 해드리도록 하겠습니다.

    항상 화이팅하시고, 오늘도 즐거운 하루 보내시기 바랍니다^^👍🏻

첨부파일

목록

위로